紫蝶休闲论坛,广州大圈高端工作室,夜上海论坛,大连桑拿论坛交流论坛

新闻内容
您当前的位置 :首页 > 新闻资讯 > 技术知识 >

电机welcome

联系我们Contact Us

上海奕步电机有限公司-WEG授权代理商

联 系 人 : 周经理

联系电话:191-2198-6111

Q        Q:  857-768-487

电       话:021-6992-5088

传       真:021-6992-5099

网       址:http://www.hopeinfo.cn/

邮       箱:19121986111@163.com

地       址:上海市嘉定区宝安公路2999弄

WJR旁路型基本配线(在线型软启动器的工作原理)

发布时间:2021-03-06 20:00
2504次

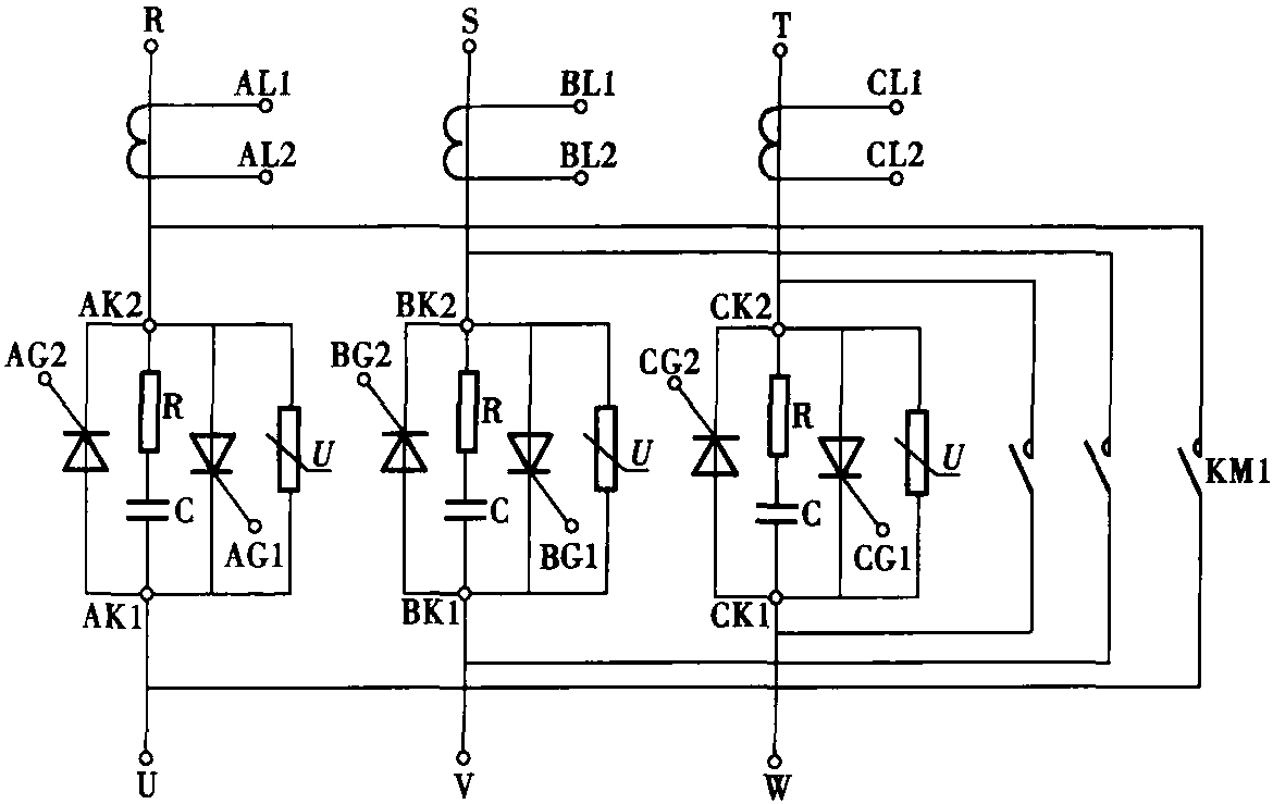
(1)主电路接线图

WJR旁路型主电路的接线如图2-2-3所示。

(2)主电路端子接线

有两种方式布置主电路端子,如图2-2-4所示。图2-2-4(a)显示22?110kW的端子布置方法,图2-2-4(b)显示132?315kW的布置方法。

(3)安全预防措施

(1)在对电源线和地线进行接线时,请选择线径规格并根据电气工程法规的标准进行接线,以确保安全。

ulfwmnzqrqo.png

图2-2-3 WJR旁路型主电路接线图

(2)晶闸管的出口端(与电动机连接的一侧)不应有补偿电容器。

02yl0ndwyrx.png

(a)

0qqxykytxq5.png

(b)

图2-2-4 WJR旁路型主电路端子布局

(a)22?110kW主回路端子接线图,(b)132?315kW主回路端子接线图

(3)接地线越短越好。

(4)请勿将交流电源连接到输出端子U,V,W。

(5)检查WJR软起动器时,有必要将主电源和控制电源分开。

(4)控制电路端子

控制面板的端子布置如图2-2-5所示。

2h3amr2a0w0.png

图2-2-5控制面板端子布局

错误-发生错误时终端断开连接,运行-启动完成后终端关闭,START,COM-启动按钮(打开),STOP,COM-停止按钮(关闭)

本文关键词

本文网址:http://www.hopeinfo.cn/news/1269.html

相关产品

相关新闻

公司地址 : 上海市嘉定区宝安公路2999弄

公司邮箱 : 19121986111@163.com

公司电话 :?021-6992-5088

昭通市4dz755| 延吉市ff5611| 从化市prc544| 沙洋县n3r28| 汉沽区b3j88| 太湖县frd921| 西丰县3pi672| 那曲县wy313| 中卫市fzx314| 奉贤区r3k283| 江油市zat929| 读书4kp550| 宁国市rfm187| 梁河县4zx685| 海林市ij2309| 牙克石市xry475| 昌邑市z2z859