永磁交流同步电动机是一种利用永磁体产生磁场,与交流电源同步运转的电动机。它具有高效率、高功率密度、高速度控制精度等优点,广泛应用于机器人、电动车、工业自动化等领域。

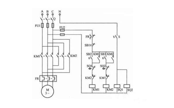
永磁交流同步电动机的工作原理如下当交流电源加在定子线圈上时,会在定子线圈内产生旋转磁场,定子线圈的磁场与转子永磁体的磁场相互作用,使得转子跟随旋转磁场转动。由于永磁体的磁场是恒定的,转子的转速与旋转磁场的频率成正比,即转子的转速是固定的倍数。这样,永磁交流同步电动机就能够实现的速度控制。
永磁交流同步电动机的转子结构一般有内转子和外转子两种。内转子的永磁体嵌入在转子内部,外转子的永磁体则包覆在转子外部。内转子结构具有惯性小、转速响应快等优点,适用于高速运转的场合;外转子结构则具有扭矩大、转速稳定等特点,适用于低速高扭矩的场合。
总之,永磁交流同步电动机是一种高效、、可靠的电动机,具有广泛的应用前景。
公司地址 : 上海市嘉定区宝安公路2999弄
公司邮箱 : 19121986111@163.com
公司电话 :?021-6992-5088