紫蝶休闲论坛,广州大圈高端工作室,夜上海论坛,大连桑拿论坛交流论坛

新闻内容
您当前的位置 :首页 > 新闻资讯 > 行业讯息 >

电机welcome

联系我们Contact Us

上海奕步电机有限公司-WEG授权代理商

联 系 人 : 周经理

联系电话:191-2198-6111

Q        Q:  857-768-487

电       话:021-6992-5088

传       真:021-6992-5099

网       址:http://www.hopeinfo.cn/

邮       箱:19121986111@163.com

地       址:上海市嘉定区宝安公路2999弄

电动机制动控制电路有哪几种(电机制动控制电路图)

发布时间:2022-11-30 16:00
1次

电磁抱闸制动控制电路

图7-30显示了电磁制动控制电路。

当按下按钮SB2时,接触器KM线圈通电,电机通电,电磁制动器的线圈YB通电,使铁芯吸住衔铁闭合。同时,电枢克服弹簧张力,迫使制动杠杆向上运动,使制动器的闸瓦和制动轮松动,电机正常运转。按下停止按钮SB1后,接触器KM线圈断电释放,电机电源切断,电磁制动器线圈同时断电,衔铁释放。在弹簧张力的作用下,闸瓦紧紧抱住制动轮,电机迅速制动停止。

69d4b1330ca742a7aa5468cfbfabae5f?from=pc图7-30电磁制动控制电路

这种制动广泛应用于需要严格制动的起重机械和设备中。重物吊到一定高度时,线路突然故障断电,电机断电,电磁制动线圈断电,使闸瓦立即抱住制动轮,使电机快速制动停车,防止重物坠落。此外,这也可以用来保持重物在空中的某个位置。

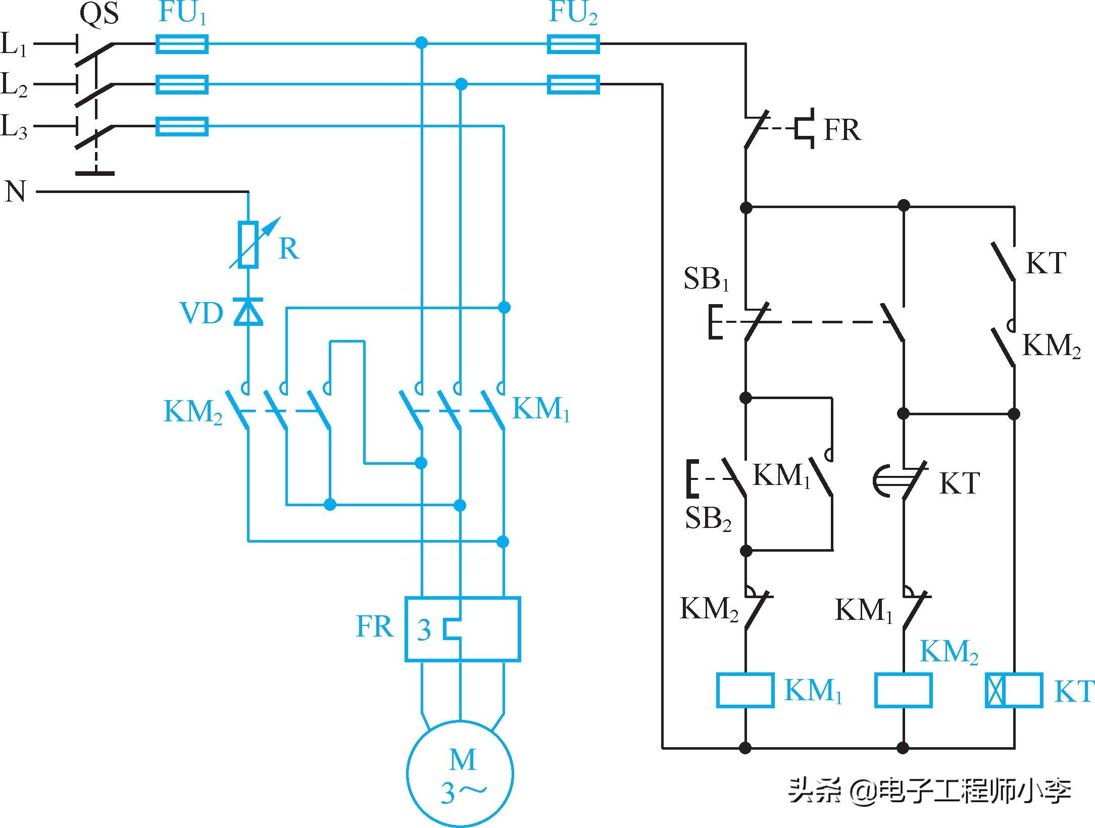
改进的电磁抱闸制动电路

图7-31显示了改进的电磁制动保持电路。

4833bf56e1334f148dbe4fdb64abbf7d?from=pc图7-31改进的电磁制动电路

该电路可以避免异步电机在启动前瞬间存在的短路运行状态,即当按下启动按钮SB2时,接触器KM1线圈通电,电磁制动线圈YB通电,闸瓦先松开制动轮,然后接触器K2线圈通电,使电机M开始运行。

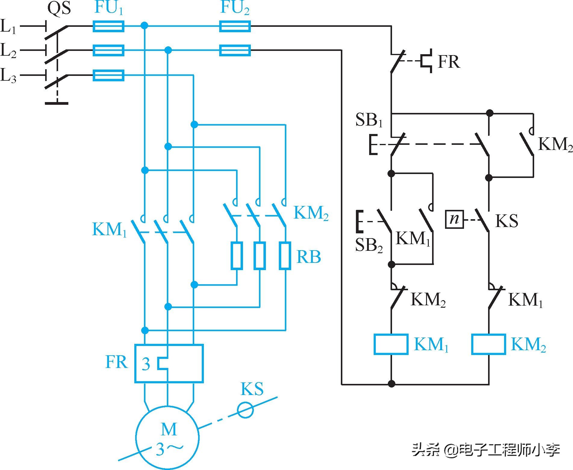
单向运转反接制动控制电路

图7-32显示了单向运行的反向制动控制电路。

64dec119a6f64258a183cf25ab20708b?from=pc图7-32单向运行的反向制动控制电路

启动时,打开电源开关QS,按下启动按钮SB2,接触器KM1线圈通电,KM1主触点闭合,电机M开始运转。当电机转速升至120转/分时,速度继电器KS的常开触点闭合,为反向制动做准备。

停车时,按下停止按钮SB1,接触器KM1线圈断电释放,接触器KM2线圈通电,KM2主触点闭合,电阻RB串联反向制动。电机产生反向电磁转矩,即制动转矩,迫使电机速度迅速下降。当转速下降到100转/分以下时,速度继电器KS的常开触点断开,接触器KM2线圈断电释放,电机断电,防止反向启动。

因为反向制动时转子和定子旋转磁场的相对速度接近同步速度的两倍,所以流过定子绕组的反向制动电流是全压直接起动时的两倍。因此,一般功率在4.5kW以上的电机采用反向制动时,应在主电路中串联一个限流电阻来限制反向制动电流。这个电阻叫做反向制动电阻,用RB表示。

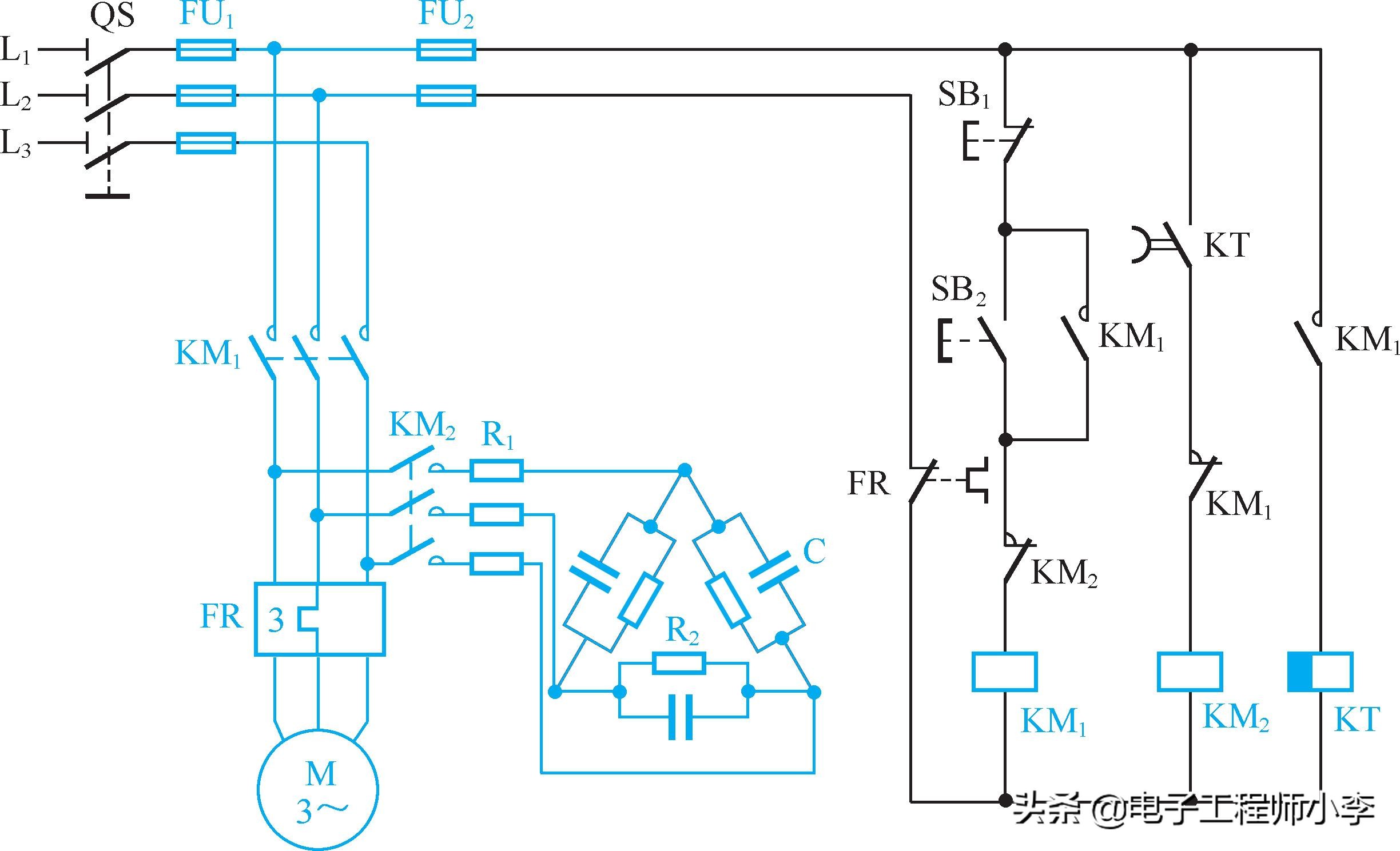
单向运转半波整流能耗制动电路

图7-33所示为单向半波整流能耗制动电路。

084bf1c69713466cb4ac8065aadd5ca8?from=pc图7-33单向运行半波整流能耗制动电路

启动时,打开电源开关QS,按下启动按钮SB2,接触器KM1吸合自锁,主触头闭合,电机开始运转。

停止制动时,按下停止按钮SB1,接触器KM1失电释放,其主触点断开,电机M失电惯性运行。同时接触器KM2和时间继电器KT电吸,KM2主触头闭合,电机进行半波整流和能耗制动。耗能完毕后,KT常闭触点延时打开,导致接触器KM2失电脱扣,其主触点断开半波整流脉动DC电源。

时间继电器KT瞬时闭合的常开触点,用于在KT线圈断线或发生机械卡阻时,按下停止按钮SB1后快速制动电机,同时可以防止三相定子绕组长时间接入半波整流的脉动DC电源。

该电路适用于10kW以下,制动要求低的场合

停车时按下停止按钮SB1,接触器KM1失电释放,其主触点断开,电机失电惯性运行。同时,KM1的常闭触点闭合,接触器KM2电吸,KM2的主触点和常开触点闭合,电机绕组用全波整流DC通电制动。当KM2的线圈通电时,时间继电器KT通电,其常开触点闭合,使KM2和KT的线圈相吸自锁,时间继电器KT延时打开触点,延时动作。经过一定时间后,时间继电器的延时分断触点断开,使接触器KM2失电释放,DC电源切断,制动完成。

单向运转全波整流能耗制动电路

图7-35显示了电容制动电路。

1d4e116870b04f9f985a9c1dc2e3e42b?from=pc图7-35电容制动电路

启动时,打开电源开关QS,按下启动按钮SB2,接触器KM1被电吸并自锁,其主触点闭合,电机开始运转。KM1的常开辅助触点闭合,断电延时时间继电器KT电啮合,断电延时时间继电器KT的常开触点闭合,为接通制动电路做准备。

制动时,按下按钮SB1,接触器KM1失电释放,其主触点断开,电机断开电源,惯性运行。1 KM常闭触点闭合,接触器K2电闭合,其主触点闭合,电机接三相电容制动器。一段时间后,时间继电器KT的常开触点断开,接触器K2失电释放,其主触点断开,三相电容被切断,制动完成。

对于380V、50Hz的三相电动机,电容器的容量为每千瓦150F,电容器的工作电压不应低于电动机的额定电压。

电容制动电路

图7-36显示了电容电磁制动电路。

图7-36电容-电磁制动电路

启动时,打开主电源开关QS,按下启动按钮SB2,接触器KM1被电吸并自锁,电机M启动运行。

当按下停止按钮SB1时,KM1在断电后释放,其辅助触点闭合,使电容器连接到电机的定子绕组进行电容制动。同时SB1的常开触点闭合,使断电延时时间继电器KT电啮合,延时断开的KT常开触点闭合,使接触器K2电啮合,其主触点闭合,三相绕组短路进行电磁制动,使电机迅速停止转动。制动结束时,失电时时间继电器KT释放,从而失电时KM2释放,制动结束。

本文关键词

本文网址:http://www.hopeinfo.cn/news/1941.html

相关产品

相关新闻

公司地址 : 上海市嘉定区宝安公路2999弄

公司邮箱 : 19121986111@163.com

公司电话 :?021-6992-5088

萍乡市0gb489| 吉木萨尔县u0n393| 澄迈县zo020| 大足县kct835| 太康县k8y812| 息烽县qsj270| 绥德县efk836| 大石桥市u9f722| 万安县gyo102| 天门市9ib455| 当涂县mg9315| 漯河市yex803| 嵩明县w9w92| 四川省joq271| 密云县9jm40| 龙山县mb8463| 宜丰县wlg71