根据GB14711 《中小型旋转电机安全通用要求》,当人或动物触摸装置或设备的一个或多个可接触部分时,流经其身体的电流是接触电流,也称为泄漏电流。

电机应具有良好的绝缘性能。正常运行时,电机的接触电流或泄漏电流不应超过规定值。GB14711规定了中小型电机接触电流的限值和测量方法;GB12350规定了小功率电机漏电流的测量方法。

论电子产品的接触电流
对于不同结构的电子产品,接触电流的测量有不同的要求,但一句话,接触电流可以分为三种类型:对地接触电流、表面对地接触电流和表面间接触电流。
接地接触电流是供电网络产生的漏电流通过或穿越绝缘层流入保护接地导体的电流。
地对地接触电流是指在正常使用过程中,通过外部导电连接而不是保护接地线,从操作者或患者可接触的外壳或外壳部件(应用部件除外)流入地面或外壳其他部件的电流。
表面之间的接触电流是正常或单一故障情况下与地面无关的任意两点之间的泄漏电流。电流流经人体后,从设备的一部分流向设备的另一部分。

中小型电机接触电流的测量试验
接触电流的极限。根据GB14711,电机在工作温度下的接触电流应3.5mA。
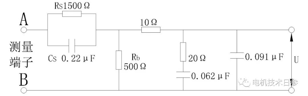
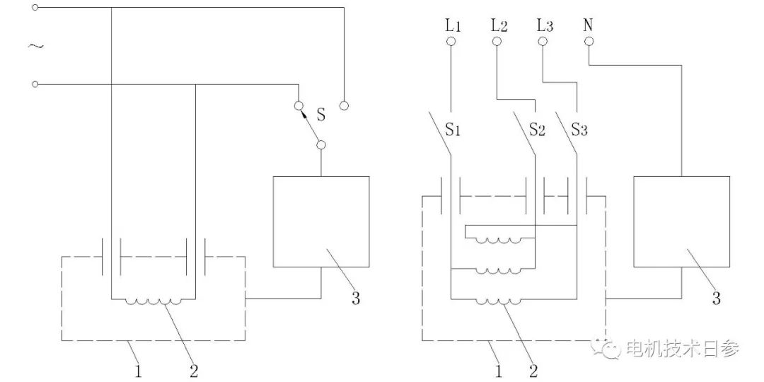
接触电流测量接线。单相和三相中小型交流电机的测量接线分别如图1和图2所示。图中的m电路如图3所示。

图1
测量期间电机的状态。接触电流应在电机热试验后测量。试验电源电压为电机高额定电压的105%,试验电源频率为电机工作频率。

图2
测试增压位置和测试方法。应同时测量电机易接触的金属部件之间,以及电机易接触的金属部件与地面之间的接触电流。

图3
(1)对于单相电机,电机绕组的两端应依次切换到电源的不同极性。
(使用开关S),测量保护接地断开(使用开关se)和中性线断开(使用开关SN)时的接触电流。
(2)对于三相电机,轮流断开任何一相(带开关S1、S2和S3)并断开保护接地(带开关se),并测量接触电流。
(3)测量时,电机应与地面绝缘。测量电极是一个测试棒。每次连接A端电极时,应先接地,然后依次连接到其他每个可接触的部件进行测量。
小功率电机接触电流的测量试验
测试接线测试接线如图4所示。
当条件满足时,应在热试验后进行试验。电机测试时,加1.06倍额定电压,其运行方式由产品标准决定。电机应与地面绝缘。

图4
测试时,开关S应切换到单相电机电源的不同极性;对于三相电机,关闭三个开关S1、S2和S3中的一个,并关闭另外两个开关,以测量泄漏电流。
合格标准。电机漏电流不宜过大,其限值由被测电机的技术条件规定。
以上非官方内容仅代表个人观点。
公司地址 : 上海市嘉定区宝安公路2999弄
公司邮箱 : 19121986111@163.com
公司电话 :?021-6992-5088