相关智能化电机保护装置的模块控制模块的设计方法,包含电机保护装置的信号分析模块,开关电源,模块,通信插口控制模块等,一起来掌握下。
智能化电机保护装置的设计方案关键选用沟通交流取样方法 性能卓越单片机设计的计划方案,选用该设计方法的电机保护装置精确测量主要参数多、测量精度高、可以出示更健全的维护作用,可是选用此设计方法的成本费较高,市场价格也高,在只必须对电机出示负载、断相同基础常见问题维护的场所沒有性价比高可谈。
因而,选用一种设计方案简易、作用可以达到基础维护规定、关键用以取代热继器的智能化电机保护装置将会出现非常大的销售市场。
ARD2型保护装置便是一款设计方案简约,维护作用较多,可以达到大部分电机维护规定的经济实用的智能化电机保护装置。
ARD2型智能化电机保护装置选用降低成本的方案设计,总体系统软件由信号分析模块、中间控制部件、开关电源、人机交互技术模块、工业触摸屏、模块、通信插口控制模块等组成,设备硬件配置构造如图所示1所显示。

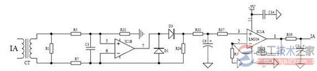
信号分析模块
信号分析模块选用整流器变大低通滤波器,见图2,该电源电路能将取样获得的沟通交流数据信号整流器成交流电数据信号,由CPU片内AD开展变换测算。

图上IC1为运放电路LM324,选用双电源开关供电系统,那样能够 确保LM324输出电压做到9V灵活运用A/D变换提升表明精密度。IC1将取样获得的数据信号开展二级变大解决,提升了数据信号的取样精密度,确保了数据信号的线性。
中间控制部件
中间控制部件采用MOTOROLA企业的款根据高宽比环保型S08核的元器件MC9S08AW32性能卓越单片机设计,该单片机设计上面資源丰富多彩,抗干扰性突显。含有32K字节数可执行程序室内空间,上面集成化2K的RAM,适用BDM上面调节作用,片内集成化看门狗电路,上面集成化8安全通道10位AD。外界拓展了铁电存储器,用以储存一些关键的主要参数,即便之后升級程序流程也不会遗失此前的关键数据信息。CPU对取样数据信号开展解决测算,依据精确测量获得的电流量、工作电压值与事先设置的各种各样维护标值开展比照,从而来分辨电机的运作情况是不是一切正常,是不是必须开展维护。中间控制部件电源电路见图3。

开关电源
选用AC220V开关电源。该开关电源键入工作电压为AC380V~450V,键入頻率45Hz~60Hz,输出电压平稳、设备故障率小,輸出谐波失真《1%,变换高效率≥75%。具备过电压、过电流保护。该控制模块经具体当场应用,具备很高的可靠性、稳定性和抗干扰性。
人机交互技术模块
人机交互技术模块选用LED表明和功能键键入,系统软件选用单双排四位LED数码显示管表明各种各样信息内容。客户可依据具体必须开展设定。在程序编写情况下表明莱单及主要参数。数码显示管表明选用动态性扫描仪方法,其光耦电路应用一片74HC595加三极管组成。
模块
模块关键由开关量键入、輸出构成,见图4。开关量键入用以检测外界电源开关情况,也可依据顾客规定用以电机的启动、终止操纵;开关量輸出关键用以輸出报警系统、脱口数据信号和远程控制启动数据信号。ARD2智能化电机保护装置的作用较多,(电焊工天地 www.dgjs123.com)可以对电机运作中碰到的多种类型的常见故障开展精确的警报表明和脱口姿势,能合理的避免电动机出现意外损坏的产生,能为客户节省很多的资产,是热继器的理想化取代商品。
因而,普遍选用电机智能化保护装置,不仅能够 提升加工工艺操纵的精确性、合理性,减少故障率,并且针对提升电气设备自动控制系统的自动化技术水准和发展趋势社会经济,也可以具有积极主动的促进功效。

通信插口控制模块
通信插口控制模块选用通用性的RS-485、Modbus RTU通信通信规约,能完成监测、遥控器、遥信等作用,见图5。

ARD2智能化电机保护装置的作用较多,可以对电机运作中碰到的多种类型的常见故障开展精确的警报表明和脱口姿势,能合理的避免电动机出现意外损坏的产生,能为客户节省很多的资产,是热继器的理想化取代商品。
因而,普遍选用电机智能化保护装置,不仅能够 提升加工工艺操纵的精确性、合理性,减少故障率,并且针对提升电气设备自动控制系统的自动化技术水准和发展趋势社会经济,也可以具有积极主动的促进功效。
公司地址 : 上海市嘉定区宝安公路2999弄
公司邮箱 : 19121986111@163.com
公司电话 :?021-6992-5088